卫生级产品是食品、饮料生产中不可或缺的产品
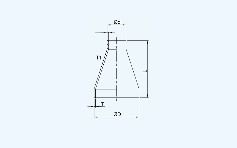
SMS L31同心平口大小头
SMS L31SE短同心大小头
SMS L32SE 短偏心大小头
SMS 同心大小头(加长型)
SMS 偏心大小头(加长型)
详细查看(电子目录)
技术资料
查看详情(HTML版)