首页
关于我们
产品中心
应用领域
联系我们
总公司
关于我们
产品中心
大阪卫生牌进口系列
阀门
配件
管件
泵
成套设备
搅拌机
日嘉卫生牌国产系列
管件
阀门
配件
应用领域
联系我们
总公司
语言
< 返回全部菜单
CN
EN
产品中心
卫生级产品是食品、饮料生产中不可或缺的产品
首页
产品中心
日嘉卫生牌国产系列
阀门
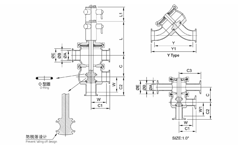
换向阀-桶底阀
阀门
换向阀-桶底阀
蝶阀
止回阀
卫生级全包球阀
取样阀
BPE卫生取样阀
隔膜阀
特殊阀
其它阀
手动换向阀
联系我们
手动控制桶底阀
详细查看(电子目录)
技术资料
查看详情(HTML版)